thinkSPAIN Logo
  • Kopen

    Onroerend goed te koop

    • Alle koopwoningen bekijken
    • Begin je zoektocht met behulp van onze filters
    • Gebruik onze kaartzoekfunctie
    • Teken uw zoekgebied
    • Waar? Gebruik onze locatiefilters

    Populaire vastgoedzoekopdrachten

    Appartementen/Flats Finca's/Landhuizen Huizen Villas
    Lift Luxe Nieuwbouw Parkeren/Garage Terras/Balkon Tuin Zeezicht Zwembad
    Alicante Almería Barcelona Benahavís Calvià Cartagena Costa Blanca Costa del Sol Dénia Estepona Gerona Gran Canaria Ibiza Javea / Xàbia Madrid Majorca Marbella Mazarrón Mijas Murcia Málaga Orihuela Palma de Mallorca Tenerife Torrevieja Valencia
    Door alle locaties en eigendomstypen bladeren
  • Huren

    Eigendom te huur

    • Alle huurwoningen bekijken
    • Vakantieverhuur
    • Begin je zoektocht met behulp van onze filters
    • Gebruik onze kaartzoekfunctie
    • Teken uw zoekgebied

    Populaire huurzoekopdrachten

    Appartementen/Flats Finca's/Landhuizen Huizen Villas
    Eerste lijn van zee / strand Lift Parkeren/Garage Terras/Balkon Tuin Uitzicht op de bergen Zeezicht Zwembad
    Alicante Almería Almuñécar Altea Barcelona Calvià Cartagena Costa Blanca Costa del Sol Dénia Estepona Gran Canaria Granada Ibiza Madrid Majorca Marbella Murcia Málaga Orihuela Palma de Mallorca San Javier Tenerife Torrevieja Torrox Valencia
    Door alle locaties en eigendomstypen bladeren
  • Ik wil adverteren op thinkSPAIN

    Ik zoek een makelaar in:

    Alicante Almería Barcelona Castellón Cádiz Gerona Granada Málaga Tarragona Valencia
    Alle makelaars bekijken
  • Waar?

    Waar kopen/huren?

    • Zoeken op levensstijlbehoeften (Locatiefilters)
    • Locaties bekijken op kenmerken/diensten
    • Gebruik onze kaartzoekfunctie
    • Teken uw zoekgebied

    Populaire locatiezoekopdrachten

    Alicante Almería Barcelona Castellón Cádiz Gerona Gran Canaria Granada Ibiza Madrid Majorca Murcia Málaga Tarragona Tenerife Valencia
  • Kaart/Teken uw gebied

    Gebruik onze interactieve kaart om eigendommen te vinden

    • Kaartzoekfunctie
    • Teken uw zoekgebied

    Populaire kaartzoekopdrachten

    Alicante Almería Barcelona Benahavís Calvià Cartagena Costa Blanca Costa del Sol Dénia Estepona Gerona Gran Canaria Ibiza Javea / Xàbia Madrid Majorca Marbella Mazarrón Mijas Murcia Málaga Orihuela Palma de Mallorca Tenerife Torrevieja Valencia
  • Directory

    Waar ben je naar op zoek?

    • Onroerendgoedmakelaars
    • Bouwkundige inspecteurs
    • Architecten / Bouwkundig ontwerp
    • Advocaten
    • Belastingadviseurs
    • Wisselkantoren
    • Hypotheekmakelaars
    • Vastgoedonderhoud / beheer

    Recente zoekopdrachten

    Advocaten in Orihuela Bouwkundige inspecteurs in Barx Onroerendgoedmakelaars in Sayalonga Advocaten in Alicante Onroerendgoedmakelaars in San Pedro del Pinatar Onroerendgoedmakelaars in Alcalá la Real Onroerendgoedmakelaars in Fuerteventura Onroerendgoedmakelaars in Granada Advocaten in Granada Onroerendgoedmakelaars in Calpe / Calp Advocaten in Ayamonte Advocaten in Costa Blanca Onroerendgoedmakelaars in Mogán Onroerendgoedmakelaars in Rábade
  • Hulp en info

    Hoe kunnen we u helpen?

    • Artikelen en gidsen
    • Adverteerder Login

    Populaire zoekopdrachten

    In Spanje kopen Naar Spanje verhuizen Van je pensioen genieten in Spanje In Spanje wonen In Spanje werken Toplocaties & Vastgoed Financiën, juridische zaken & belastingen Vind de juiste woning Spaanse levensstijl & cultuur Regio's in Spanje Verhuizing Transport Gezondheidszorg Huishouden Vastgoedmarkt Alicante Taal & integreren Veiligheid Werken als zelfstandige Een baan vinden
  • Adverteerder Login
thinkSPAIN Logo Vastgoed

Bouwgrond te koop in Colmenar, Málaga

  • € 58.500
  • 1618 m2
Vastgoed

€ 58.500

Ref. 9803754

Bellen
  • Bouwgrond te koop in Colmenar - € 58.500 (Ref: 9803754)
  • Bouwgrond te koop in Colmenar - € 58.500 (Ref: 9803754)
  • Bouwgrond te koop in Colmenar - € 58.500 (Ref: 9803754)
  • Bouwgrond te koop in Colmenar - € 58.500 (Ref: 9803754)
  • Bouwgrond te koop in Colmenar - € 58.500 (Ref: 9803754)
  • Bouwgrond te koop in Colmenar - € 58.500 (Ref: 9803754)
  • Bouwgrond te koop in Colmenar - € 58.500 (Ref: 9803754)
  • Bouwgrond te koop in Colmenar - € 58.500 (Ref: 9803754)
  • Bouwgrond te koop in Colmenar - € 58.500 (Ref: 9803754)
  • Bouwgrond te koop in Colmenar - € 58.500 (Ref: 9803754)
  • Bouwgrond te koop in Colmenar - € 58.500 (Ref: 9803754)
  • Bouwgrond te koop in Colmenar - € 58.500 (Ref: 9803754)
  • Bouwgrond te koop in Colmenar - € 58.500 (Ref: 9803754)
1/13

€ 58.500

Bouwgrond te koop in Colmenar, Málaga

  • 1618 m2

Beschrijving

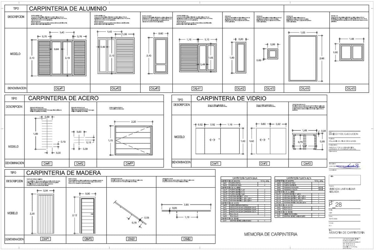
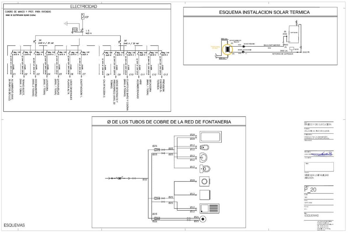
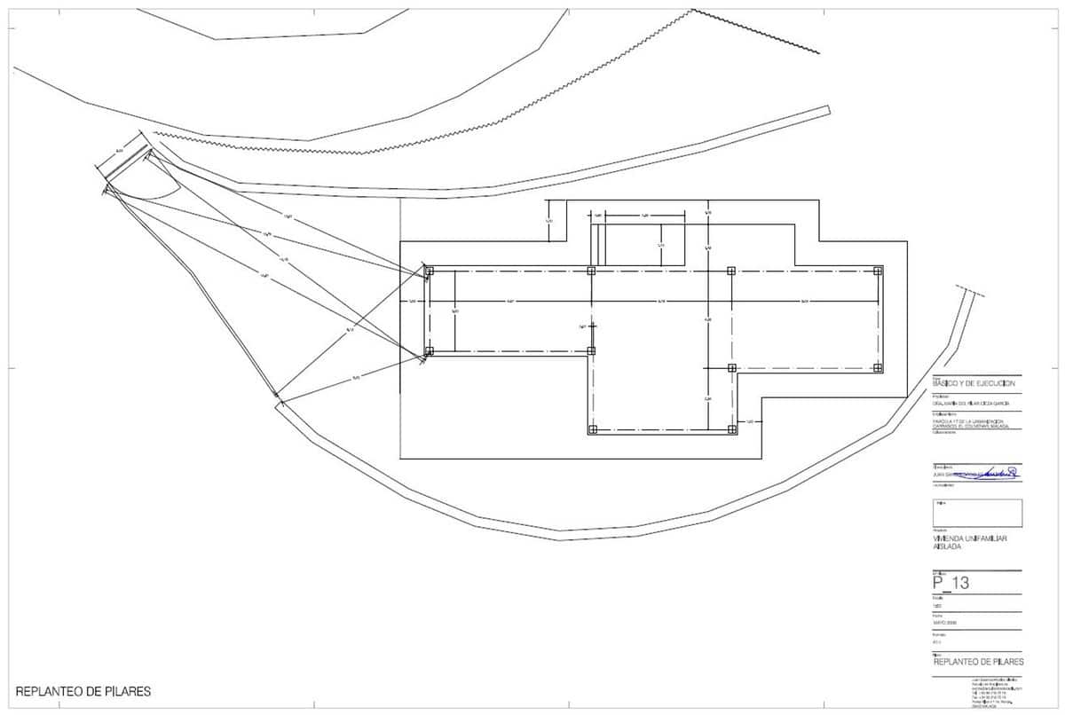
Stedelijke kavel in Urbanización Carrasco, Colmenar. Ruime kavel met stedelijke bestemming en een oppervlakte van 1.620 m2, met voorontwerp en project inbegrepen in de prijs. Geotechnische studie uitgevoerd. Colmenar ligt in het hart van de Montes de Málaga, op slechts 30 minuten van Málaga. Ideaal om te wonen vanwege de nabijheid van Málaga en Antequera, of als tweede verblijf om te genieten van de rust en de natuurlijke omgeving eromheen.

Locatie

Colmenar, Málaga De locatie is niet verstrekt.

Kenmerken

  • Bouwgrond
  • Plot: 1618m 2
  • Energiecertificaat: In proces

Hoe kunnen we u helpen?

Heeft u een fout ontdekt?

Vertel ons wat u heeft gedetecteerd om het te corrigeren

Hypotheekcalculator

€
€
%

€ 185 per maand*

+ € 5.795 belastingen (€ 4.095) & kosten (€ 1.700)*

*Houd er rekening mee dat de resultaten slechts een leidraad zijn en geen hypotheekofferte of -aanbieding.

Contact de adverteerder

Hoe kunnen we u helpen?

€

This field is required

Controleer de bovenstaande fout(en)

Ref. 9803754

Door dit formulier te versturen, bevestig je dat je akkoord gaat met onze Gebruiksvoorwaarden en Privacybeleid.

Delen

Gerelateerde objecten

Bouwgrond te koop in Colmenar - € 69.000 (Ref: 6833731) Bouwgrond te koop in Casabermeja - € 66.000 (Ref: 9097365) Bouwgrond te koop in Casabermeja - € 66.000 (Ref: 8930859) Bouwgrond te koop in Mondron, Periana - € 59.900 (Ref: 9735254)

Advertenties

  1. Spanje
  2. Andalusië
  3. Málaga
  4. Colmenar
  5. Bouwgrond te koop in Colmenar - € 58.500 (Ref: 9803754)
Bellen